高温钛合金具有密度低、比强度高、耐腐蚀、耐高温等特点,能够在高温条件下表现出较好的热稳定性、较高的抗拉强度和抗蠕变性能[1-2],在航空、航天领域得到广泛应用,并成为制造现代航空发动机机匣、叶盘的重要材料之一。Ti65合金是一种新型近a型高温钛合金,是由中国科学院金属研究所在Ti60合金基础上设计开发的,其使用温度在600~650℃之间。与Ti60合金相比,Ti65合金中减少了Sn、Zr元素含量,增加了Ta、W元素含量,并添加了Si元素,从而有效改善了合金的抗蠕变性能和持久性能[2-3]。因此,Ti65合金除了具备较高的强度和良好的耐腐蚀性外,还获得了在650℃下更好的高温蠕变抗性和持久性能,使强度、韧性、蠕变性能和疲劳性能达到良好匹配[4]。a+β两相钛合金和近a钛合金均具有优异的高温力学性能,因此,Ti65合金理想的组织形态为双态组织。为兼顾Ti65合金在室温和高温下的综合性能,其锻造和热处理均在两相区内完成,一般将等轴初生α相含量控制在5%~25%之间[5-7]。
热处理是调控近a型钛合金显微组织和性能的重要手段之一,研究人员针对Ti65合金进行了大量热处理工艺研究。吴汐玥等人[8]研究了固溶温度对Ti65合金板材显微组织和力学性能的影响,发现随着固溶温度的升高,等轴初生α相体积分数逐渐减少,经过1015℃/1h/AC+700℃/4h/AC热处理后,等轴α相体积分数降低至5%左右,室温及650℃高温拉伸性能均匹配良好。Yue等人[6]在研究固溶冷却速率对小规格Ti65合金棒材力学性能的影响时发现,随着冷却速率的加快,合金在室温和650℃条件下的拉伸强度和塑性都得到显著提高,持久时间先增加后减少,断后伸长率先减小后增大。邓雨亭等人[9]研究了厚截面Ti65合金饼坯锻件的持久性能及位错演变规律,发现从锻件边缘到心部,室温抗拉强度和650℃高温抗拉强度均逐渐降低,最后保持稳定,持久断裂时间则逐渐增加,最后保持不变;厚片层α相内部弥散分布的a2相,有利于提升持久性能。谭海兵等人[10]研究了热处理对Ti65合金棒材显微组织与力学性能的影响,发现经过1030℃一次固溶+(800~950)℃二次固溶+700℃时效后,合金的室温拉伸强度和屈服强度均呈现下降趋势。此外,研究人员还开展了Ti65合金本构方程及动态再结晶模型的建立、热变形后的显微组织表征、织构演变及力学性能分析等工作[11-17]。固溶处理是钛合金锻件加工过程中最重要的环节之一,在不同的冷却速率下,从β转变组织中析出的次生α相形态不同,从而直接影响合金的力学性能。目前,固溶冷却方式对Ti65合金厚截面锻件显微组织与力学性能的影响规律尚不明确。为此,以Ti65合金厚截面锻件为研究对象,系统对比研究了固溶处理后风冷与油冷两种冷却方式对锻件显微组织、室温拉伸性能以及650℃高温拉伸、蠕变与持久性能的影响,旨在为该合金热处理工艺的制定提供数据支撑,并推动Ti65合金的工程化应用。
1、实验
实验材料为∅150mm的Ti65合金棒材,通过金相法测定棒材的相变温度约为1043℃,其化学成分如表1所示。在1003℃下将棒材锻造成如图1a所示的盘形锻件,最大厚度为120mm。自盘形锻件中心沿纵向将其剖分为S1和S2两块,分别按照表2所示热处理工艺进行固溶+时效处理。其中,S1锻件采用风冷(FAC)方式冷却,S2锻件采用油冷(OC)方式冷却。
表1 Ti65合金棒材化学成分(w/%)
Table 1 Chemical composition of Ti65 alloy bar
| Al | Mo | Zr | Sn | W | Si | Ta | Nb | Ti |
| 5.86 | 0.49 | 3.59 | 4.24 | 0.80 | 0.35 | 0.97 | 0.20 | Bal. |

表2 Ti65合金锻件热处理工艺
Table 2 Heat treatment processes of Ti65 alloy forging
| Sample | Heat treatment process |
| S1 | 1023℃/180 min/FAC+700℃/300 min/AC |
| S2 | 1023℃/180 min/OC+700℃/300 min/AC |
表3蠕变和持久性能测试条件
Table 3 Testing conditions of creep and stress rupture properties
| Testing item | Temperature/℃ | Stress/MPa | Time/h |
| Creep | 650 | 120 | 50 |
| Stress rupture | 650 | 240 | ≥100 |
| 650 | 280 | ≥40 |
2、结果与分析
2.1显微组织

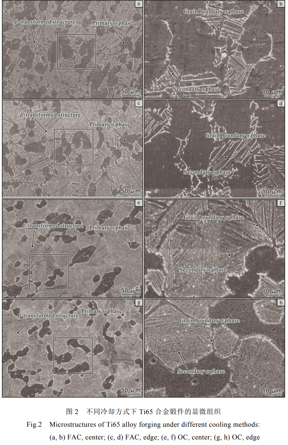
Ti65合金的固溶温度处于a+β两相区,在保温过程中形成了明显的晶界,随后的风冷或油冷过程中,在形成晶界α相的同时,β转变组织中逐渐析出了交织排布的片层状次生α相。由于冷却速率不同,析出的晶界α相和片层状次生α相的厚度各不相同。当以风冷方式冷却时,整体冷却速率较慢,锻件边缘先冷却,β转变组织中的片层状次生α相不再长大,而心部仍然保持高温状态,片层状次生α相继续长大,造成锻件心部的片层状次生α相厚度略大于边缘。与风冷相比,油冷的冷却速率更快,锻件心部和边缘的冷却速率相近,晶界上和β转变组织中析出的次生α相均来不及长大,因而锻件心部和边缘的初生α相含量、晶粒尺寸以及β转变组织中的片层状次生α相厚度差异很小,且与风冷后的次生α相相比更加细小。
2.2拉伸性能

细晶强化是金属材料最有效的强化方法之一。根据位错理论,晶界阻碍位错运动,晶粒越细小,晶界数量越多,相邻晶粒产生变形或运动需要的应力越大,强化效应越显著。Ti65合金在冷却过程中析出的片层状次生α相交织排布,形成了大量的α相与β相界面,从而阻碍了位错滑移,减小了位错的有效滑移长度,使合金得到强化,强度明显提高[18]。
Ti65合金锻件以风冷方式冷却时,析出的片层状次生α相厚度为3~5μm,强化效果相对较弱,抗拉强度和屈服强度分别为1015MPa和904MPa,断后伸长率和断面收缩率分别为11%和21.5%。当锻件以油冷方式冷却时,析出的片层状次生α相厚度减小到1~3μm,α相与β相界面增多,强化效果增强,抗拉强度和屈服强度分别增加至1099MPa和996MPa,断后伸长率和断面收缩率则下降至9.5%和11%。

以上实验结果表明,固溶冷却速率的加快可以提升合金的室温强度、650℃强度和塑性,但会使室温塑性下降。抗拉强度与冷却过程中析出的片层状次生α相厚度呈正相关关系。
2.3蠕变性能


金属材料的高温蠕变由晶界的滑动以及晶内的位错攀移和滑移主导。在高温蠕变过程中,显微组织形态是决定其蠕变性能的重要因素:等轴状初生α相的界面较多,抗蠕变性能较差;片层状次生α相的界面较少,抗蠕变性能较好[20]。风冷方式下锻件的初生α相体积分数与油冷锻件的初生α相体积分数相近,但油冷方式下锻件的片层状次生α相厚度小于风冷方式,使其具有更多的界面,因此,油冷锻件的抗蠕变性能更好。
材料的蠕变性能反映了材料长期在恒温、恒载荷作用下抵抗缓慢塑性变形的能力。本实验中,随着冷却速率的加快,冷却过程中析出的片层状次生α相厚度减小,使得Ti65合金锻件抵抗蠕变变形的能力增强。因此,对于Ti65合金锻件,其蠕变性能与固溶冷却过程中析出的片层状次生α相厚度呈负相关关系。
2.4持久性能

持久性能反映了材料在高温环境下长时间使用时保持力学性能的能力。由图2可知,随着冷却速率的加快,Ti65合金片层状次生α相的厚度减小,导致初生α相和β相界面数量增多,阻碍位错滑移和攀移的能力增大,这使得合金在恒定应力载荷作用下需要较大的应力才能产生裂纹,同时裂纹沿晶界扩展的曲折程度增加,消耗的能量增加,从而提高了合金的持久性能[21]。
以上实验结果表明,Ti65合金锻件的持久性能与固溶冷却过程中析出的片层状次生α相厚度呈负相关关系。
3、结论
(1)Ti65合金锻件固溶处理时分别以风冷和油冷方式冷却后,形成了厚度不一的片层状次生α相,显微组织均为等轴状初生α相和β转变组织组成的双态组织。
(2) Ti65合金锻件的力学性能与其片层状次生α相厚度有直接关系。随着固溶冷却速率的加快,片层状次生α相的厚度显著减小,室温强度提高、塑性下降,650℃拉伸、蠕变和持久性能均增大。
参考文献 References
[1]向霁旸,宋雨宸,王琳,等.蠕变预加载Ti6321钛合金的动态力学性能和绝热剪切研究[J].稀有金属材料与工程,2024,53(7):2035-2041.
[2]戴毅,曹江海,秦羽满,等.Ti60合金VAR熔炼过程熔体流动与宏观偏析的数值模拟研究[J].稀有金属材料与工程,2024,53(3):701-708.
[3]张智鑫.Ti65合金薄板轧制成形及其组织力学性能关系[D].西安:西北工业大学,2021.
[4]刘莹莹,陈子勇,金头男,等.600℃高温钛合金发展现状与展望[J].材料导报,2018,32(11):1863-1869.
[5]党博豪,辛社伟,刘卓萌,等.Ti650合金650℃热暴露组织与性能研究[J].稀有金属材料与工程,2025,54(10):2575-2582.
[6] Yue K, Liu J R, Zhu S X, et al. Origins of different tensile behaviors induced by cooling rate in a near alpha titanium alloy Ti65[J]. Materialia,2018,1:128-138.
[7] Yue K, Liu J R, Zhang H J, et al. Precipitates and alloying elements distribution in near a titanium alloy Ti65[J]. Journal of Materials Science and Technology,2020, 36: 91-96.
[8]吴汐玥,陈志勇,程超,等.热处理对 Ti65钛合金板材的显微组织、织构及拉伸性能的影响[J].材料研究学报,2019,33(10):785-793.
[9]邓雨亭,王旭,刘英飒,等.Ti65合金饼坯锻件持久性能及位错演变规律研究[J].钛工业进展,2024,41(3):1-8.
[10]谭海兵,臧健,梁弼宁,等.中温热处理对Ti65合金淬火组织及室温拉伸性能的影响[J].材料研究学报,2023,37(12):881-888.
[11]李萍,许海峰,孟淼,等.Ti65钛合金热变形行为及本构方程[J].塑性工程学报,2024,31(2):120-128.
[12]田垚,余俊,张浩,等.耦合氢含量的置氢Ti65高温钛合金本构方程[J].锻压技术,2023,48(6):204-213.
[13]邵光保,胡进,占克勤,等.置氢Ti65钛合金高温流变行为和热加工性能[J].锻压技术,2023,48(8):253-260.
[14] Zhang Z X, Fan J K, Tang B, et al. Microstructural evolution and FCC twinning behavior during hot deformation of high temperature titanium alloy Ti65[J]. Journal of Materials Science& Technology,2020,49:56-69.
[15] Zhang Z X, Fan J K, Wu Z H, et al. Precipitation behavior and strengthening-toughening mechanism of hot rolled sheet of Ti65 titanium alloy during aging process[J]. Journal of Alloys and Compounds,2020,831:154786.
[16] Zhang Z X, Fan J K, Li R F, et al. Orientation dependent behavior of tensile-creep deformation of hot rolled Ti65 titanium alloy sheet[J]. Journal of Materials Science and Technology,2021,75:265-275.
[17] Zhao D, Fan J K, Zhang Z X, et al. Influence of a+β solution treatments on Ti65 ultrathin sheets: silicide precipitation,mechanical behaviour and novel{1011} twinning system[J].Transactions of Nonferrous Metals Society of China, 2023,33(4):1098-1113.
[18]王志录,胡博文,范佳俊,等.冷却速率对Ti55531合金组织与性能的影响[J].钛工业进展,2023,40(6):22-26.
[19]刘智恩.材料科学基础[M].5版.西安:西北工业大学出版社,2019:239-241.
[20]刘秀良,王海丰,商国强,等.锻造温度和变形量对 Ti65合金组织和性能的影响[J].中国材料进展,2024,43(11):1043-1050.
[21]孙昊,刘征,赵子博,等.热处理工艺对Ti60合金持久性能的影响[J].钛工业进展,2020,37(1):22-26.
(注,原文标题:冷却方式对Ti65合金锻件组织和性能的影响_刘秀良)
相关链接
- 2026-03-10 面向航空发动机压气机部件用TC8钛合金棒材制备工艺-组织-性能关联机制及长寿命服役性能保障研究
- 2026-03-05 面向下一代航空发动机的Ti65高温钛合金厚截面锻件650℃持久性能、位错动力学及组织调控技术基础
- 2026-01-25 热处理工艺对Ti65高温钛合金冷轧薄板显微组织与力学性能的调控及拉伸变形机制研究——系统探究退火温度、冷却速率的影响规律,通过准原位
- 2026-01-18 铣削参数对Ti65高温钛合金表面粗糙度/残余应力/硬度的影响规律:每齿进给量是表面粗糙度首要影响因素,铣削速度与每齿进给量主导残余压应力
- 2026-01-03 全温度区间退火调控TA15钛合金组织-性能关联机制:断口从韧性韧窝转变为脆性解理特征,建立完整“退火工艺-相组成-力学性能”关系,填补β单相
- 2025-12-28 Ti650高温钛合金棒材热加工-组织-高温性能一体化研究:影响棒材强度与抗蠕变性能,1000℃轧制时抗蠕变性能最佳,构建轧制温度-组织-高温性能关
- 2025-12-19 面向航空发动机零件的TA19钛合金棒材锻造工艺优化基础研究——聚焦组织织构演变与锻造参数的关联,量化不同火次/位置α相尺寸与长宽比变化
- 2025-12-06 650℃高温环境下Ti-48Al-2Cr-2Nb钛铝合金超高周疲劳行为研究——基于超声疲劳试验的S-N曲线特征、断口机制及裂纹萌生扩展规律解析,为航空
- 2025-12-02 面向高超声速飞行器复杂薄壁件成形Ti65高温钛合金超塑性研究——揭示变形温度/应变速率对超塑均匀性、小角度/大角度晶界演变的影响及动
- 2025-11-24 中国航空钛合金应用从追赶到领跑的发展历程与技术突破——见证从J-7到J-20/C919的机型用钛升级,解析发动机用钛比例从2%到41%的性能跃升,攻

